冲压模具开模的重要事项
冲压模具开模的重要事项
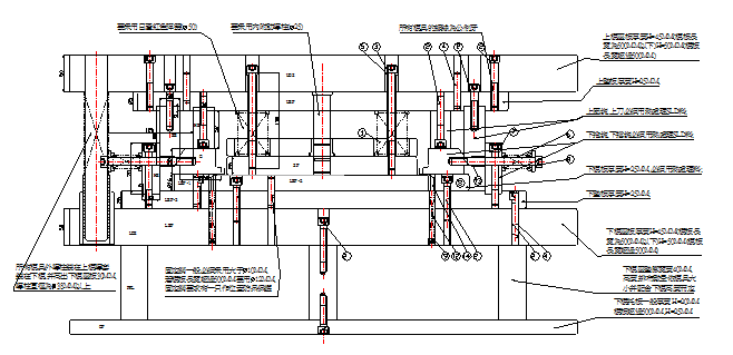
1.所有冲压模具的外导柱规格需设定在Φ38以上,(导套釆用台阶式)
2.模板上的导柱,固定销要有防呆设置; 超过400*400以上的冲压模具固定销要用Φ12,不论模板其内导柱规格必须设定在Φ20以上3.脱料板材质要釆用SKD11料,厚度为25MM;
4.所有上下模座板之吊模螺丝须釆用M20;
5.上下模座板长宽要大于上下模板单边40~50MM,以方便架模;
6.当模板是300以上时,上下模座板厚度要求在(50-60)MM之间;模板在300以下时,上下模座板厚度为45MM;
7.上下模座板应根据实际需要,依据所使用机台的T型槽尺寸加工出U型沟槽;
8.所有模具的螺丝要用公制牙;
9.挡块要镶入冲压模具垫板内10.0MM深,挡块的宽度要达到30~35MM,并装Φ12的固定销定位,挡块外侧需加补强块,螺丝要三角形斜排,禁止直线排布;
10.所有压块,挡块,推块等不允许垫垫片,
下一篇:精密模具做得好,更要保养好
上一篇:连续模中对冲孔折弯模的开模有什么要求呢?
中文
English









